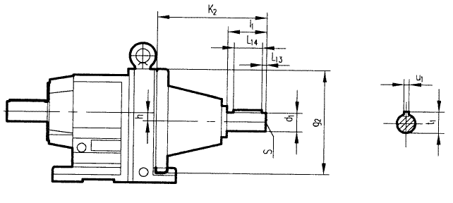
GRXF167系列斜齒輪減速電機(jī)安裝結(jié)構(gòu)尺寸

GRSZ37-167安裝結(jié)構(gòu)尺寸
|
型號(hào) |
d1 |
g2 |
k2 |
l1 |
S |
L13 |
L14 |
f1 |
U1 |
h |
|
GRSZ37 |
16k6 |
120 |
115 |
40 |
M5 |
4 |
32 |
18 |
5 |
10.1 |
|
GRSZ47 |
19k6 |
160 |
120 |
40 |
M6 |
4 |
32 |
21.5 |
6 |
14 |
|
GRSZ57 |
19k6 |
160 |
120 |
40 |
M6 |
4 |
32 |
21.5 |
6 |
11.2 |
|
GRSZ67 |
19k6 |
160 |
120 |
40 |
M6 |
4 |
32 |
21.5 |
6 |
20.7 |
|
GRSZ77 |
24k6 |
200 |
140 |
50 |
M8 |
5 |
40 |
27 |
8 |
15.9 |
|
GRSZ87 |
28k6 |
250 |
180 |
60 |
M10 |
5 |
50 |
31 |
8 |
12.6 |
|
GRSZ97 |
38k6 |
300 |
220 |
80 |
M12 |
5 |
70 |
41 |
10 |
10.2 |
|
GRSZ107 |
42k6 |
350 |
270 |
110 |
M16 |
10 |
90 |
45 |
12 |
20.4 |
|
GRSZ137 |
55m6 |
400 |
297 |
110 |
M20 |
10 |
90 |
59 |
16 |
25.1 |
|
GRSZ147 |
55m6 |
450 |
297 |
110 |
M20 |
10 |
90 |
59 |
16 |
33.4 |
|
GRSZ167 |
70m6 |
550 |
374 |
140 |
M20 |
15 |
110 |
74.5 |
20 |
59.9 |
其它尺寸請按照GR型。
注:GRF/GRX/GRXF也可用雙軸型,并分別記為GRFSZ、GRXSZ、和GRXFSZ。